樱桃AV黄片,樱桃视频大全免费高清版,樱桃APP污片,樱桃视频污污
樱桃AV黄片服務熱線:0757-82526906
首頁
Home
樱桃APP污片中心
product
生態質感係列
生態大理石
樱桃AV黄片精工玉石
樱桃AV黄片精工石材
樱桃AV黄片樱桃视频大全免费高清版
樱桃AV黄片現代仿古
樱桃AV黄片精工磁磚
樱桃视频污污中心
case
工程樱桃视频污污
家裝樱桃视频污污
品牌專區
brand
樱桃AV黄片簡介
資質榮譽
發展曆程
新聞動態
視頻中心
中國創造
ccwd
活動簡介
設計風采
活動站點
設計·觀
在線商城
online
京東店
天貓店
互動專區
interactive
聯係樱桃AV黄片
知識問答
樱桃AV黄片公告
聯係樱桃AV黄片
知識問答
樱桃AV黄片公告
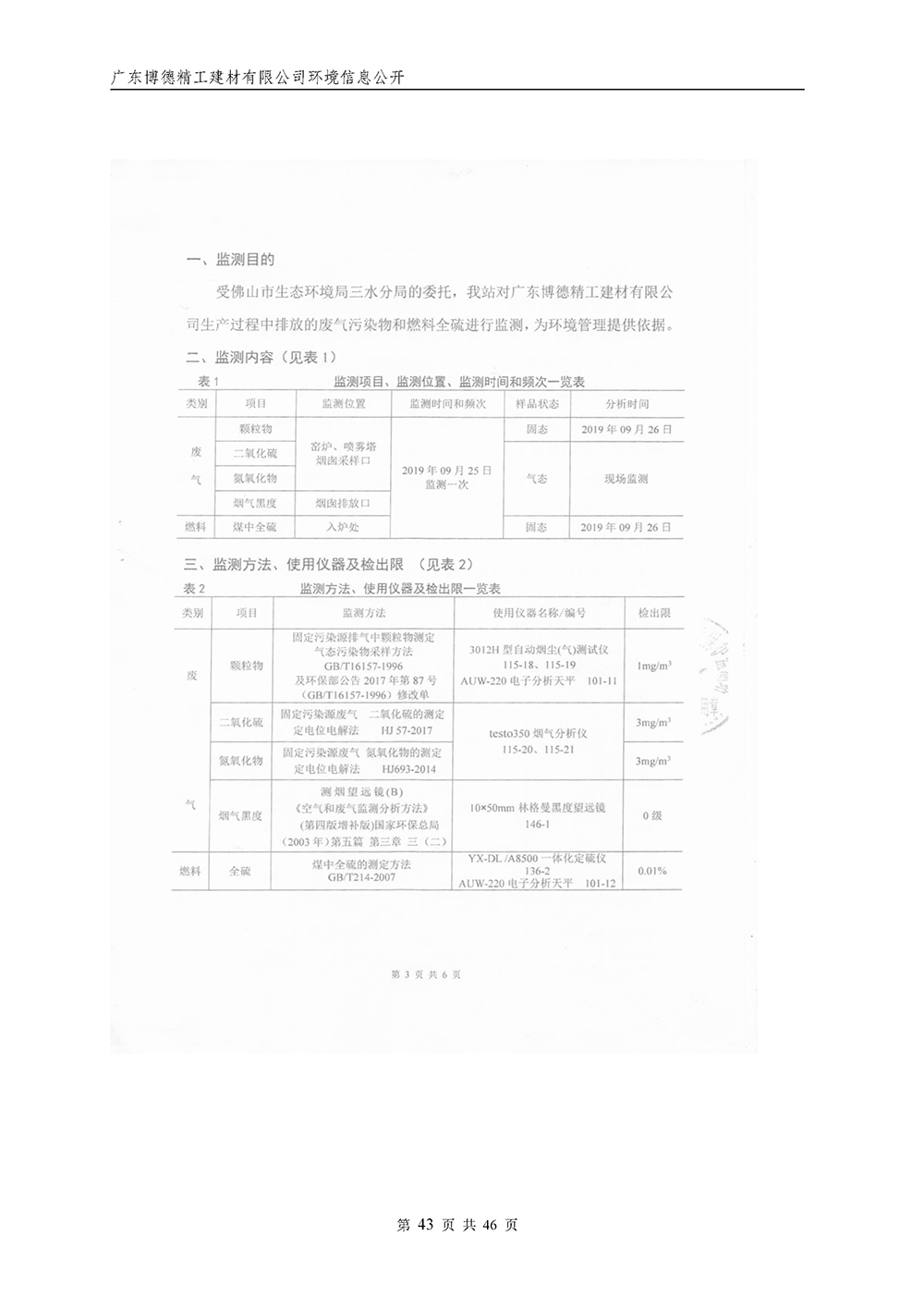
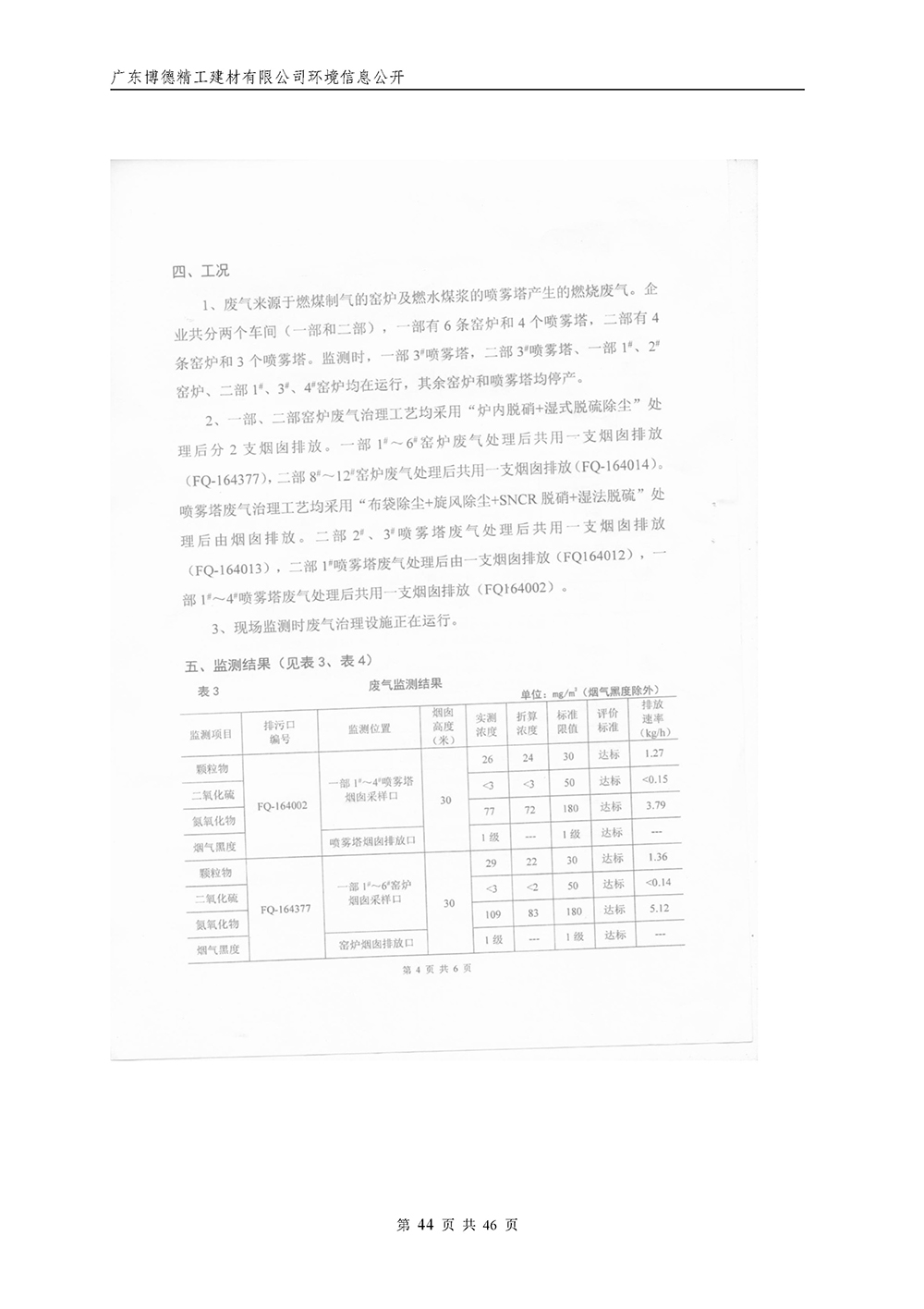
2019年環境信息公開
2019/12/14 來源:樱桃AV黄片磁磚 閱讀量:11003
返回
樱桃APP污片中心
生態質感係列
生態大理石
樱桃AV黄片精工玉石
樱桃AV黄片精工石材
樱桃AV黄片樱桃视频大全免费高清版
樱桃AV黄片現代仿古
樱桃AV黄片精工磁磚
樱桃视频污污中心
工程樱桃视频污污
家裝樱桃视频污污
品牌專區
樱桃AV黄片簡介
資質榮譽
發展曆程
新聞動態
視頻中心
中國創造
在線商城
互動專區
關注樱桃AV黄片
聯係樱桃AV黄片
樱桃AV黄片招商服務熱線:0757-82526906
bode@zcftcys.com
全屋智能家居定製
大板瓷磚
高端瓷磚品牌
高端石材品牌
十大品牌
Copyright @ 2017 廣東樱桃AV黄片精工建材有限公司 版權所有
粵ICP備92307169號
粵公網安備 44060402001619號
網站建設:
經天網絡
網站地圖